- 產品介紹
- 產品參數
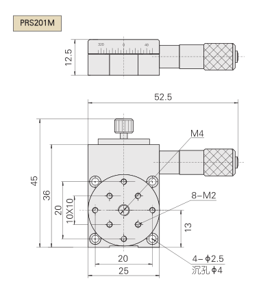
型號
PRS201
PRS202M
PRS203
PRS204
臺面直徑(mm)
φ25
φ82
φ100
φ60
驅動方式
微分頭
微分頭
蝸輪副
微分頭
讀數方式
直讀
游標讀數
直讀
差分讀數
分辨率
0.009o
0.002o
0.017o
0.015o
粗調范圍
360o
360o
-
360o
精調范圍
±6o
±10o
360o
±5o
最小刻度
5o
1o
2o
2o
最小讀數
-
2′
6′
6′
極限負載(kg)
2
5
15
5
自重(kg)
0.035
0.5
0.85
0.4
















