- 產品介紹
- 產品參數
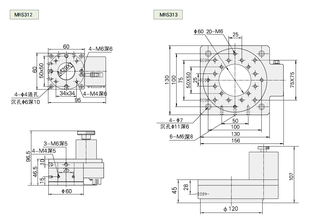
|
型號 |
MRS312 |
MRS313 |
|
臺面直徑(mm) |
60 |
120 |
|
傳動比 |
3:1 |
6:1 |
|
驅動方式 |
齒輪 |
|
|
最小分辨率 |
0.009° |
0.0047° |
|
重復定位精度 |
±0.004° |
±0.004° |
|
極限速度 |
250°/s |
250°/s |
|
步進電機(1.8°) |
35步進電機 |
56步進電機 |
|
極限靜轉矩(Ncm) |
10 |
60 |
|
中心負載(kg) |
3 |
15 |
|
自重(kg) |
0.5 |
2.6 |
|
備注 |
應用真空環境中,需單獨訂貨 |
|










