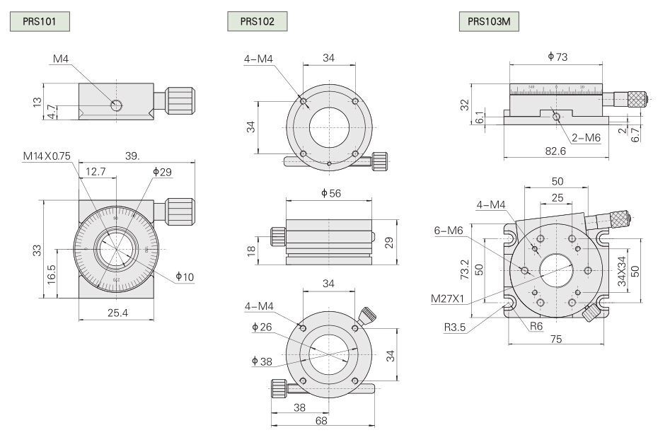
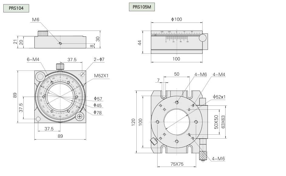
PRS100 series precision rotary stages
1.Precision axis design.
2.Standard center aperture can hold optics
securely.
3.Scale markings every degree are engraved
on the circumference of the stage for direct reading. Vernier reading is
available for some model types.
4.Some modelsallow bothcoarse fine
adjustment of the rotation.
- description
- parameters
|
Model |
PRS101 |
PRS102 |
PRS103M |
PRS104 |
PRS105M |
|
Table size(mm) |
φ29 |
φ56 |
φ73 |
φ85 |
φ100 |
|
Driving |
Worm and worm gear |
Fine thread screw |
Micrometer head |
Friction wheel |
Micrometer head |
|
Reading |
direct reading |
vernier reading |
vernier reading |
direct reading |
vernier reading |
|
Resolution |
0.07° |
0.0035 mm |
0.003° |
1° |
0.002° |
|
Coarse adjustment |
- |
360° |
360° |
- |
360° |
|
Fine adjustment |
360o |
±3° |
±10° |
360° |
±5° |
|
Graduation |
5° |
2° |
1° |
2° |
1° |
|
Minimum reading |
0.5° |
0.2° |
5′ |
1° |
2′ |
|
Loading capacity(kg) |
2 |
2 |
5 |
6 |
12 |
|
Weight(kg) |
0.025 |
0.15 |
0.4 |
0.3 |
1.25 |












