PTS300 series precision postitioning stages
1.Actuated with V-shapedguide and linear roller.
2.Driven with micrometer head. Micrometer
locations can be either side or middle of the stage.
3.High precision and large bearing capacity
4.The motion can be easily locked withthe
knobon the side of the stage.
6.Standard threaded holes on both top and
bottom of the stages allow secure mounting to optical tables, or additional
stages for multi-axes translation.
- description
- parameters
|
Model |
PTS301M |
PTS302M |
PTS303M |
PTS304M |
PTS305M |
PTS306M |
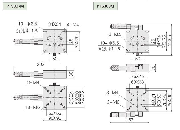
PTS307M |
PTS308M |
|
Table size (mm) |
37×37 |
65×65 |
90×90 |
|||||
|
Travel (mm) |
6 |
13 |
25 |
|||||
|
Driving |
Micrometer head |
|||||||
|
Precision(mm) |
0.003 |
|||||||
|
Resolution(mm) |
0.002 |
|||||||
|
Graduation(mm) |
0.01 |
|||||||
|
Drive position |
middle |
side |
middle |
side |
middle |
side |
middle |
side |
|
Loading capacity(kg) |
5 |
12 |
15 |
|||||
|
Weight (kg) |
0.5 |
0.5 |
0.7 |
0.7 |
0.7 |
0.7 |
0.9 |
0.9 |











