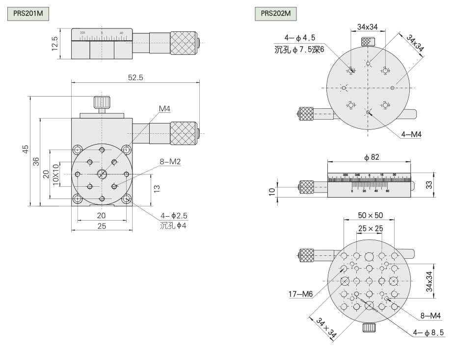
PRS200 series precision rotary stages
1.Precision axis design.
2.Scale markings every degree are engraved
on the circumference of the stage for direct reading. Vernier reading is
available for some model types.
3.Some modelsallow both coarse fine
adjustment of the rotation.
4.Standard threaded holes on both top and bottom of
the stages allow secure mounting to optical tables, or additional stages for
multi-axes translation.
- description
- parameters
|
Model |
PRS201 |
PRS202M |
PRS203 |
|
Table size(mm) |
φ25 |
φ82 |
φ100 |
|
Driving |
Micrometer head |
Micrometer head |
Worm and worm gear |
|
Reading |
direct reading |
vernier reading |
direct reading |
|
Resolution |
0.009o |
0.002o |
0.017o |
|
Coarse adjustment |
360o |
360o |
- |
|
Fine adjustment |
±6o |
±10o |
360o |
|
Graduation |
5o |
1o |
1o |
|
Minimum reading |
- |
2′ |
2′ |
|
Loading capacity(kg) |
2 |
5 |
15 |
|
Weight(kg) |
0.035 |
0.5 |
0.85 |












